• UPDATE



    The forum will be moving to a new domain in the near future (canonrumorsforum.com). I have turned off "read-only", but I will only leave the two forum nodes you see active for the time being.

    I don't know at this time how quickly the change will happen, but that will move at a good pace I am sure.

    ------------------------------------------------------------

Patent: Canon EF 58mm f/1.4

It'd be a helluva waist-up portrait lens for people with APS-C sensor bodies, and it'd be a slightly more useful full-length portrait lens for people on 35mm sensor bodies. Effectively the look of the 50mm f/1.2L but with a very, very slightly flatter perspective.
 
Upvote 0
mb66energy said:
AvTvM said:
rs said:
Translated link:
http://translate.google.com/translate?sl=auto&tl=en&u=http://egami.blog.so-net.ne.jp/2015-10-02

2015_172611_fig01.png

Interesting. Pronounced concave meniscus front element. Rarely seen. new Zeiss Milvus 50/1.4 has a bi-concave front element.



http://www.zeiss.at/camera-lenses/de_at/camera_lenses/milvus/milvus1450.html

Is the Canon patent also a floating element design?

blue: The EF-M has it too: http://cweb.canon.jp/ef/lineup/ef-m/ef-m22-f2stm/spec.html
and is a fine lens.

red: L1, L2 and L3 are three lens groups which gives the hint that it has floating elements - a standard with modern high aperture wide and standard lenses ...


The Canon 35mm f2 from 1971 to 1976 also had a concave front element, along with some very exotic (and radioactive) ingredients that resulted in very good performance for the time. The lenses often show a yellow or amber colour cast nowadays.
 
Upvote 0
privatebydesign said:
The Canon 35mm f2 from 1971 to 1976 also had a concave front element, along with some very exotic (and radioactive) ingredients that resulted in very good performance for the time. The lenses often show a yellow or amber colour cast nowadays.

Perhaps Canon will revisit this technology.

After all, without any film to fog, they could really get away with some seriously high levels here, and having a lens that really excels when new and then has an expiration date after which it is ruined has to be the dream of every manufacturer!
 
Upvote 0
It's not about the focal length

The exact focal length is not really the main point of this patent IMHO.

Compare optical formulae with the Canon patent (50mm) from July.
That one also mentioned internal focus.

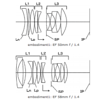
The Egami patent link now has 2 additional designs of 50mm and 58mm added

All compared:
http://www.northlight-images.co.uk/Canon_new_lenses.html

Quite a few variations there...
 

Attachments

  • 50-58.png
    50-58.png
    77.2 KB · Views: 1,240
Upvote 0
Re: Canon patent for a 58mm f/1.4 seen in photorumors

Antono Refa said:
zim said:
Haydn1971 said:
I'm hopeful that this is the parallel super lens "fifty" L that I'm expecting to compliment the more artful 1.2 "fifty"

Which could end up with....

50mm f1.2 L artful mistress left to age gracefully
58mm f1.4 L new kid bad boy sharply contrasty mega lens to beat Otus
50mm f1.8/2.0 IS running with the 35mm IS theme, the sensible type
50mm f1.8 STM nifty fifty for the experimental types

I'm kinda expecting the 58mm now to cost more than the 50mm f1.2 - which sounds odd, but with the focal length differentiator, Canon can PR themselves around a £2000 f1.4 lens

This is what I've been concerned about in previous posts. I really really hope this doesn't happen!

What would you like to see improved in the 50mm f/1.2 that serves it's purpose, rather than to make it more like the new uber fifties lenses?

The implication is that it goes EOL without replacement
 
Upvote 0
Re: Canon patent for a 58mm f/1.4 seen in photorumors

Mt Spokane Photography said:
midluk said:
Are there good reasons to choose 58mm over 50mm? You always read that 50mm has such a "natural" viewing angle on FF. So why go slightly but not significantly higher? Or is the "natural viewing angle" more like 58mm but to have a round number always 50mm has been used in the past? Would you even notice for daily work?

Nikon has a long history of making 58mm lenses. Their famous 58mm f/1.2 Noct AI and AIS for example.

http://www.ebay.com/itm/Nikon-Noct-Nikkor-58mm-f-1-2-AIS-Noctilux-Manual-Focus-A15I0046-/181890773369?hash=item2a5988f179

I can't say why 58mm, but the extra few mm probably makes it easier to increase sharpness and other characteristics of such a wide aperture.

If you had a good optical formula that worked equally well at 50mm focal length and 58mm, and if you sell products using 50mm focal length and your direct competition sells products using 58mm, how would you prevent your competition from using the same basic formula in their product? Patent it! You don't need to use it yourself at 58mm when you're using it at 50mm and you can stop your competitor from using it at 58.
 
Upvote 0
Re: Canon patent for a 58mm f/1.4 seen in photorumors

zim said:
Antono Refa said:
zim said:
Haydn1971 said:
I'm hopeful that this is the parallel super lens "fifty" L that I'm expecting to compliment the more artful 1.2 "fifty"

Which could end up with....

50mm f1.2 L artful mistress left to age gracefully
58mm f1.4 L new kid bad boy sharply contrasty mega lens to beat Otus
50mm f1.8/2.0 IS running with the 35mm IS theme, the sensible type
50mm f1.8 STM nifty fifty for the experimental types

I'm kinda expecting the 58mm now to cost more than the 50mm f1.2 - which sounds odd, but with the focal length differentiator, Canon can PR themselves around a £2000 f1.4 lens

This is what I've been concerned about in previous posts. I really really hope this doesn't happen!

What would you like to see improved in the 50mm f/1.2 that serves it's purpose, rather than to make it more like the new uber fifties lenses?

The implication is that it goes EOL without replacement

I think the lack of an upgrade might be an indication it's a niche lens with less competition, and therefore less incentive to upgrade, relative to other lenses.

E.g. how long has it been since the 85mm f/1.2 mkII & MP-E 65mm were upgraded? The TS-E 24mm was upgraded in 2009, and AFAIK Nikon hasn't followed suit yet - apparently Nikon think it would get better ROI on other upgrades.

In other words, the lens might be sufficiently niche for the lack of upgrade not to indicate EOL.
 
Upvote 0
Re: Canon patent for a 58mm f/1.4 seen in photorumors

mb66energy said:
AvTvM said:
rs said:
Translated link:
http://translate.google.com/translate?sl=auto&tl=en&u=http://egami.blog.so-net.ne.jp/2015-10-02

2015_172611_fig01.png

Interesting. Pronounced concave meniscus front element. Rarely seen. new Zeiss Milvus 50/1.4 has a bi-concave front element.



http://www.zeiss.at/camera-lenses/de_at/camera_lenses/milvus/milvus1450.html

Is the Canon patent also a floating element design?

blue: The EF-M has it too: http://cweb.canon.jp/ef/lineup/ef-m/ef-m22-f2stm/spec.html
and is a fine lens.

red: L1, L2 and L3 are three lens groups which gives the hint that it has floating elements - a standard with modern high aperture wide and standard lenses ...

The Leica-M 35/1.4 Asph has also a concave front element. Floating elements with AF will not work.

http://de.leica-camera.com/Fotografie/Leica-M/M-Objektive/Summilux-M-1-1,4-35-mm-ASPH

Andy
 
Upvote 0
Re: Canon patent for a 58mm f/1.4 seen in photorumors

Berowne said:
The Leica-M 35/1.4 Asph has also a concave front element. Floating elements with AF will not work.
Andy
Yes, there is a smallish number of (old) WIDE-ANGLE lenses with retrofocus design and concave front element. But not for lenses with focal lengths of 50 or 58mm.
Zeiss has moved grom Planar design to Distagon with the new Milvus 50mm/1.4. And now this Canon patent ... Will be interesting to see whether it ever hors into production and if so, what performance it really will have.

AF is possible with floating element design. Canon EF 50/1.2 and 85/1.2 are living proof ... or the new Zeiss Batis 85/1.8 (which uses a conventional 1930s Sonnar design, with convex front element).
 
Upvote 0
Re: Canon patent for a 58mm f/1.4 seen in photorumors

Berowne said:
mb66energy said:
AvTvM said:
rs said:
Translated link:
http://translate.google.com/translate?sl=auto&tl=en&u=http://egami.blog.so-net.ne.jp/2015-10-02

2015_172611_fig01.png

Interesting. Pronounced concave meniscus front element. Rarely seen. new Zeiss Milvus 50/1.4 has a bi-concave front element.



http://www.zeiss.at/camera-lenses/de_at/camera_lenses/milvus/milvus1450.html

Is the Canon patent also a floating element design?

blue: The EF-M has it too: http://cweb.canon.jp/ef/lineup/ef-m/ef-m22-f2stm/spec.html
and is a fine lens.

red: L1, L2 and L3 are three lens groups which gives the hint that it has floating elements - a standard with modern high aperture wide and standard lenses ...

The Leica-M 35/1.4 Asph has also a concave front element. Floating elements with AF will not work.

http://de.leica-camera.com/Fotografie/Leica-M/M-Objektive/Summilux-M-1-1,4-35-mm-ASPH

Andy
The New Tamron 45mm also uses a concave front element:
lens-construction_45mm_en_US.svg
 
Upvote 0
Re: Canon patent for a 58mm f/1.4 seen in photorumors

AvTvM said:
Berowne said:
The Leica-M 35/1.4 Asph has also a concave front element. Floating elements with AF will not work.
Andy
Yes, there is a smallish number of (old) WIDE-ANGLE lenses with retrofocus design and concave front element. But not for lenses with focal lengths of 50 or 58mm.
Zeiss has moved grom Planar design to Distagon with the new Milvus 50mm/1.4. And now this Canon patent ... Will be interesting to see whether it ever hors into production and if so, what performance it really will have.

AF is possible with floating element design. Canon EF 50/1.2 and 85/1.2 are living proof ... or the new Zeiss Batis 85/1.8 (which uses a conventional 1930s Sonnar design, with convex front element).

50L is a front focusing Design. Are you sure that is "floating elements"? FL means as i understand it, that both groups of lenses - the front group and a rear group - chance independendly and at once their position to the focal plane. This will need two AF-mechanisms in the lens. This means the position of the rear group is not fixed, as in a front focusing design.
 
Upvote 0
Re: Canon patent for a 58mm f/1.4 seen in photorumors

Antono Refa said:
zim said:
Antono Refa said:
zim said:
Haydn1971 said:
I'm hopeful that this is the parallel super lens "fifty" L that I'm expecting to compliment the more artful 1.2 "fifty"

Which could end up with....

50mm f1.2 L artful mistress left to age gracefully
58mm f1.4 L new kid bad boy sharply contrasty mega lens to beat Otus
50mm f1.8/2.0 IS running with the 35mm IS theme, the sensible type
50mm f1.8 STM nifty fifty for the experimental types

I'm kinda expecting the 58mm now to cost more than the 50mm f1.2 - which sounds odd, but with the focal length differentiator, Canon can PR themselves around a £2000 f1.4 lens

This is what I've been concerned about in previous posts. I really really hope this doesn't happen!

What would you like to see improved in the 50mm f/1.2 that serves it's purpose, rather than to make it more like the new uber fifties lenses?

The implication is that it goes EOL without replacement

I think the lack of an upgrade might be an indication it's a niche lens with less competition, and therefore less incentive to upgrade, relative to other lenses.

E.g. how long has it been since the 85mm f/1.2 mkII & MP-E 65mm were upgraded? The TS-E 24mm was upgraded in 2009, and AFAIK Nikon hasn't followed suit yet - apparently Nikon think it would get better ROI on other upgrades.

In other words, the lens might be sufficiently niche for the lack of upgrade not to indicate EOL.

Well I'd like to hope that both 1.2 lenses are kept on an upgrade/refresh cycle no matter what Canon decides that cycle is and that they consider them 'professional' rather than 'niche' to warrant that cycle.

Nikon make lenses?? :P

:D
Regards
 
Upvote 0
As long as we are speculating, I expect the 50 1.2L USM to be replaced by a 50 1.2L USM Mark II. There are too many wedding photographers who love this lens to let it fade away.

A 58 1.4 IS will either replace the 50 1.4, or never materialize. I'm still expecting Canon to compliment the 28 2.8 IS and the 35 2.0 IS with 50 IS (or 58 IS) and 85-100 IS lenses. The 50 1.4 is too popular to let it fade away. But, it seems a bit crowded to have a 50 1.8, 50 1.4, and a 50 1.2. Also, I'm not sure that there is a market to support both a 50 1.4 and a 58 1.4.

Personally, I'm waiting to see what Canon does to upgrade the 50 1.2L and the 50 1.4 before adding a 50 prime to my kit. My current needs don't justify a 50 1.2L, so I'm kind of hoping for a 50 1.4 IS to compliment my 35 2.0 IS. But, I'm actually more intrigued by a 58 1.4 IS as a compliment to the 35.
 
Upvote 0
Nikon 58/1.4 is 1.5X times heavier and also 1.5X times longer than the current Canon 50/1.4. (Also 1cm bigger in diameter)

I really do NOT want that weight/size increase.
The power of current Canon 50/1.4 lies within being 1.4 AND small and light at the same time.
Otus and Sigma only have chance because Canon 50/1.2 is not good enough. Yet. As soon as it gets a serious upgrade the 1.2 will have a real advantage over the 1.4 lenses, especially from the marketing point of view.
(Not that you ever really need a 1.2 over a 1.4 at 50mm but anyway.)
 
Upvote 0
Re: Canon patent for a 58mm f/1.4 seen in photorumors

Berowne said:
50L is a front focusing Design. Are you sure that is "floating elements"? FL means as i understand it, that both groups of lenses - the front group and a rear group - chance independendly and at once their position to the focal plane. This will need two AF-mechanisms in the lens. This means the position of the rear group is not fixed, as in a front focusing design.

Yes, I stand corrected, you are right: 50/1.2 L is no floating element design. EF 85/1.2L is. Seems to be the reason why the 50/1.2 L has that pronounced focus shift issue that should be corrected in any successor lens, no matter whether it is a Mk. II or something different (f/1.2 and/or 1.4, 50mm and/or 58 mm).

Autofocus is definitely possible also with floating element design. It may be more difficult to implement and it may well be the reason why the 85/1.2 L has focus-by-wire AF.
 
Upvote 0
riker said:
Nikon 58/1.4 is 1.5X times heavier and also 1.5X times longer than the current Canon 50/1.4. (Also 1cm bigger in diameter)

I really do NOT want that weight/size increase.
The power of current Canon 50/1.4 lies within being 1.4 AND small and light at the same time.
Otus and Sigma only have chance because Canon 50/1.2 is not good enough. Yet. As soon as it gets a serious upgrade the 1.2 will have a real advantage over the 1.4 lenses, especially from the marketing point of view.
(Not that you ever really need a 1.2 over a 1.4 at 50mm but anyway.)

I agree it will be larger but the lens manufacturers are listening to the demand for high performance and speed. The Otus line and Sigma Art line are quite popular and are making good money for the makers.

Should the 50 1.2 get a makeover, it will not get smaller or cheaper. It will most likely strive to set the standard for excellence at that FL and aperture. When that happens a new legend will be born.
 
Upvote 0
Re: Canon patent for a 58mm f/1.4 seen in photorumors

midluk said:
Are there good reasons to choose 58mm over 50mm? You always read that 50mm has such a "natural" viewing angle on FF. So why go slightly but not significantly higher? Or is the "natural viewing angle" more like 58mm but to have a round number always 50mm has been used in the past? Would you even notice for daily work?

55mm and 58mm used to be popular focal lengths in the pre-dslr era; I have a few which I enjoy using, including the Minolta 58mm 1.2 and Helios 44-2 (which is 58mm f2) and several 55mms. After using one for a day, 50mm can seem too short, while coming from 50mm it can, depending on what I'm doing, seem too long or usefully longer - all to an extent I wouldn't have expected. None of which really answers your question, of course. (If there are technical reasons for a manufacturer to prefer 58mm, that's out of my league completely....) On aps-c 58mm is closer than 50mm to what is usually regarded as the classic ff portrait length of 85mm (hence presumably the Fuji 56mm 1.2); maybe that is a factor too?
 
Upvote 0